解決方案
SOLUTION
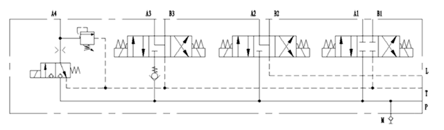
履帶式坑道鉆機液壓閥組
2018-09-20
首頁 > 解決方案 > 配套產品 > 液壓閥
項目名稱:
履帶式坑道鉆機液壓閥組
詳情介紹
履帶式坑道鉆機防爆電磁閥組可用于進給、卡盤、夾持器等機構動作的電氣聯動控制。
The valve assembly is used for control the linkage of feed, chuck, clamp and so on.
?


工作壓力:250 bar;
工作流量:70 L/min;